随着无线通信技术对多频段操作的需求日益迫切,传统射频电路架构因需要多套独立的功率放大器而面临成本和面积上的挑战。近期,英特尔公开的一项关于“用于多频段射频通信的电容式数模转换器(CDAC)”的发明专利,为解决这一痛点提供了颇具前景的新思路。该技术通过创新的电路设计,旨在用单一芯片覆盖多个射频频段,从而有效节省晶圆面积与系统成本。让我们一起深入了解一下这项专利的核心内容。

核心技术:电容式数模转换器(CDAC)的创新设计
这项专利的核心在于电容式数模转换器(CDAC),它被集成在数字功率放大器(DPA)中,负责将数字信号转换为模拟射频信号。其设计亮点主要体现在以下几个方面:
基础电路构成
CDAC 包含多个独立的电路单元,每个单元都由一个可变电容元件和一个驱动器组成。驱动器通过控制可变电容元件的充电或放电过程,来完成数模转换的功能。在一些设计中,还会加入逻辑部件,用于根据控制信号决定是否将数字信号传递至驱动器的信号路径。

压变电容元件的核心作用
可变电容元件通常采用压变电容元件(例如 MOS 变容器),其电容值可以通过施加在其输出端子上的电压进行精确控制。驱动器一般设计为反相器,能够输出高低电压电平变化的数字信号处理反相信号。通过调整输出端子的电压,即可改变电容值,从而让电路适配不同的射频频段。
控制器与多频段适配
整个装置配备了一个中央控制器。它可以根据幅度控制信息来激活或关闭部分电路单元,从而调节输出信号的功率。更重要的是,控制器能够根据目标射频信号的频段(如2.4GHz、5GHz或6GHz),指挥电压供应电路调整施加在压变电容元件上的电压。这种设计使得单个 CDAC 能够覆盖多个频段,有望替代传统上需要多套独立功率放大器的方案。
配套架构:数字通信电路的完整方案
为了实现高效的多频段射频通信,CDAC 并非孤立工作,而是需要与其他关键模块协同,构成一套完整的数字通信电路装置。
关键模块协同
- 数字前端(DFE):负责将基带信号转换为幅度控制代码和相位控制代码,分别用于控制信号的功率和相位。
- 数字时间转换器(DTC):接收相位控制代码,对本地振荡器信号进行调制,生成调制振荡信号(MOLO)。
- 匹配网络:通常采用基于变压器的设计。CDAC 的输出端子耦合到变压器的初级绕组,而次级绕组则连接至天线端口,以此实现射频系统的阻抗匹配与谐波滤除。
差分信号路径设计
为了提高信号传输的稳定性和抗干扰能力,部分电路会采用差分信号路径设计。每个路径都配备独立的压变电容元件和驱动器。变压器的初级绕组可以设计为中心抽头结构,电压供应电路通过向这个抽头供电,能够更精准地控制各个电容元件的电压。
图示详解:直观看懂专利核心设计
专利附图清晰地展示了电路结构和工作原理,以下是几个关键图示的解析:
通信设备内部配置
下图展示了一个典型通信设备的内部核心模块组成:天线系统负责射频信号的收发,RF 收发器完成模拟与数字信号的转换,基带调制解调器(包含 DSP 和协议控制器)处理信号的编解码,应用处理器和存储器则负责上层应用与数据存储。

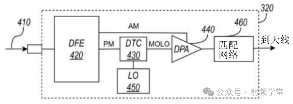
RF 收发器发送路径
这张图清晰地呈现了信号在发送路径上的流向:数字前端(DFE)输出幅度(AM)和相位(PM)控制代码;DTC 调制本地振荡器信号生成 MOLO 信号;CDAC 集成在 DPA 中,接收 AM 代码和 MOLO 信号后,输出射频信号;最后,信号经过匹配网络传输至天线。

开关电容功率放大器(SCDPA)单元阵列
此图展示了 SCDPA 的基本单元结构:每个单元包含两个与门、两个反相器和两个电容元件,接收 LO_P 和 LO_N 两路数字信号。控制器通过控制信号来激活或关闭单元。多个这样的单元将其输出端子连接到变压器的初级绕组,实现信号的汇总与输出。

电容式 RF 数字功率转换器电路
该电路由两个 SCDPA 单元(SCDPA #1 和 SCDPA #2)组成,其输出端子交叉连接到变压器初级绕组的两端,形成了一个差分输出结构。电压控制信号(Vtune)施加在输出端子上,用于调节压变电容元件的电容值,从而适配不同的工作频段。

压控电容的电压-电容关系曲线
这张图表直观地展示了压变电容的核心特性。横坐标是施加的电压(Vtune),纵坐标是电容值。曲线显示:当 Vtune < 0 时,电容维持在一个较低的恒定值;当 Vtune 超过阈值电压 V 时,电容迅速跃升并保持在另一个较高的恒定值。

完整数字通信电路装置
此框图整合了数字前端、DTC、振荡器、CDAC、控制器、电压供应电路等所有关键模块。控制器在这里扮演着“大脑”的角色,统筹控制各个电路单元的激活状态以及电容电压,从而确保多频段射频信号的稳定发射。

性能仿真结果验证多频段能力
专利中提供的负载牵引仿真结果(图11-12)显示,通过调整电容值,同一个 DPA 在 2.45GHz 和 6GHz 频段下的最大功率和效率分布曲线可以高度重叠,这从仿真层面验证了其多频段适配能力。


史密斯圆图(图13)展示了在初始匹配网络下,通过调整 Vtune 电压,DPA 的阻抗匹配点可以覆盖 2.45GHz、5-7GHz 等多个频段。

频率响应曲线(图14)则进一步证明了电路在多频段下的稳定性能,不同曲线代表了在不同电容状态和功率水平下的频率响应。

技术优势与应用前景
核心优势
- 节省成本与面积:最大的优势在于“单 CDAC 覆盖多频段”,这有望直接替代传统方案中多套独立的功率放大器,从而大幅减少芯片所需的晶圆面积和整体硬件成本。
- 高效率与低失真:基于开关电容技术,相较于传统的线性功率放大器,这种架构在理论上能够实现更高的能量转换效率和更低的信号失真。
- 灵活的频段适配:通过电压动态调整电容值,电路可以快速在不同工作频段间切换,灵活适配 Wi-Fi、蜂窝通信等多种无线通信标准。
应用场景
这项技术可广泛应用于智能手机、无线路由器、物联网设备等各类无线通信终端中。尤其适合那些需要同时支持 2.4GHz、5GHz、6GHz 等多频段的现代设备,为打造高性能、小型化的无线通信产品提供了新的硬件基础。
本文对已公开的专利文件进行了技术性解读与梳理,旨在分享学习。专利技术的具体实现与商用情况请以官方信息为准。对于这种通过单芯片压控电容实现多频段覆盖的设计思路,你怎么看?欢迎在云栈社区与我们进一步探讨射频前端设计的未来趋势。