
Redis 以其卓越的性能闻名,这背后与其精巧的数据存储设计密不可分。它是一种基于 ANSI C 语言编写、支持网络和持久化的键值对内存数据库,并提供了丰富的 API。其核心数据类型主要就是五种:String(字符串)、List(列表)、Hash(哈希)、Set(集合)和 ZSet(有序集合)。

在互联网业务中,这些数据类型有着广泛的应用:
- String: 缓存、限流、计数器、分布式锁、分布式 Session
- Hash: 存储用户信息、用户主页访问量、组合查询
- List: 微博关注人时间轴列表、简单队列
- Set: 点赞、点踩、标签、好友关系
- Zset: 排行榜
例如,在电商大促等高并发场景下,为了保证系统稳定,库存扣减可以这样设计:

这个设计中,直接在 Redis 中完成库存扣减,然后记录操作日志,再通过一个 Worker 程序异步同步到数据库中。在设计这个同步 Worker 时,必须仔细考虑如何处理并发和重复消费等问题。
从这些应用可以看出 Redis 的高效与稳定。那么,它的底层到底是如何实现的呢?
Redis 的对象:redisObject
当我们执行 set hello world 这条命令时,数据在内存中的模型可以这样理解:

- dictEntry: Redis 为每一个键值对分配一个 dictEntry 结构,里面包含 key 和 val 的指针。next 指针指向下一个 dictEntry,形成一个链表。这个机制可以将哈希值相同的多个键值对链接在一起,以此来解决哈希冲突,也就是我们常说的“链地址法”。
- sds: 键
key “hello” 是以 SDS(Simple Dynamic String,简单动态字符串)格式存储的。
- redisObject: 值
val “world” 存储在 redisObject 中。实际上,Redis 常用的五种数据类型,其值都是以 redisObject 对象的形式来存储的。redisObject 中的 type 字段指明了值对象的类型(如字符串、列表等),ptr 指针则指向对象实际所在的内存地址。
redisObject 对象至关重要,Redis 对象的类型识别、内部编码、内存回收、共享对象等功能都依赖于它。这种设计的精妙之处在于,它可以针对不同的使用场景,为五种基本类型设置多种不同的底层数据结构实现,从而最大程度地优化对象在不同场景下的使用效率。
无论是 dictEntry、redisObject 还是 SDS 对象,都需要内存分配器(如 jemalloc)来分配内存。jemalloc 是 Redis 的默认内存分配器,它在减少内存碎片方面表现优异。例如,在 64 位系统中,jemalloc 将内存空间划分为小、大、巨大三个范围,每个范围又细分为许多小的内存块单位。当 Redis 存储数据时,会选择大小最合适的内存块进行分配,以提高内存利用率。
如前所述,每个对象都由一个 redisObject 结构表示,其 ptr 指针指向底层的数据结构,而具体是哪种数据结构则由 encoding 属性决定。例如,我们执行以下命令查看键“hello”的编码:

Redis 所有底层数据结构对应的编码常量如下(这对于理解后续内容很重要):

String(字符串)
字符串对象的底层实现可以是 int、raw 或 embstr(上表中有对应名称)。其中,embstr 编码通过一次内存分配函数调用,分配一块连续的空间来存储 redisObject 和 SDS;而 raw 编码则需要两次调用。

int 编码和 embstr 编码的字符串对象在一定条件下会转化为 raw 编码。
- embstr: 用于存储长度小于等于 39 字节的字符串。
- int: 用于存储 8 字节的长整型数值。
- raw: 用于存储长度大于 39 字节的字符串。
简单动态字符串(SDS)是 Redis 对字符串的底层实现,其结构类似于 C++ 的 std::string 或 Java 的 ArrayList<Character>,长度动态可变:
struct sdshdr {
// buf 中已占用空间的长度
int len;
// buf 中剩余可用空间的长度
int free;
// 数据空间
char buf[]; // 以 ‘\0’ 空字符结尾
};
其关键操作复杂度如下:
get (sdsrange): O(n)
set (sdscpy): O(n)
create (sdsnew): O(1)
len (sdslen): O(1)
SDS 相比 C 原生字符串的优势:
- 常数复杂度获取字符串长度: 因为 SDS 在
len 属性中直接记录了字符串长度,所以获取长度的时间复杂度仅为 O(1)。
- 预空间分配: 当修改一个 SDS 时,分为两种情况分配额外空间:
- 如果 SDS 的
len 小于 1MB,程序会分配和 len 同样大小的未使用空间(free 值等于 len)。例如,修改后 len 为 15 字节,则实际分配的 buf 数组长度为 15(used) + 15(free) + 1(\0) = 31 字节。
- 如果 SDS 的
len 大于等于 1MB,程序会固定分配 1MB 的未使用空间。例如,修改后 len 为 30MB,则实际长度为 30MB + 1MB + 1byte。
- 惰性释放空间: 当执行如
sdstrim(截取字符串)操作后,SDS 不会立即释放多出来的空间。如果后续进行字符串拼接操作,且新内容大小不超过之前释放的空间,则可以直接复用这些空间,避免了频繁的内存重分配。
- 杜绝缓冲区溢出: C 字符串操作(如
strcat)在忘记重分配内存时极易造成缓冲区溢出。而 SDS 的 API 在可能造成溢出时会自动进行内存重分配,从根本上杜绝了此问题。
List(列表)
List 对象的底层实现是 quicklist(快速列表),它是 ziplist(压缩列表)和 linkedlist(双端链表)的组合。Redis 的列表支持两端插入和弹出,能获取指定位置(或范围)的元素,可以充当数组、队列、栈等多种角色。
typedef struct listNode {
// 前置节点
struct listNode *prev;
// 后置节点
struct listNode *next;
// 节点的值
void *value;
} listNode;
typedef struct list {
// 表头节点
listNode *head;
// 表尾节点
listNode *tail;
// 节点值复制函数
void *(*dup)(void *ptr);
// 节点值释放函数
void (*free)(void *ptr);
// 节点值对比函数
int (*match)(void *ptr, void *key);
// 链表所包含的节点数量
unsigned long len;
} list;
其关键操作复杂度:
rpush / lpush (listAddNodeHead/Tail): O(1)
insert (listInsertNode): O(1)
index (listIndex): O(N)
pop (ListFirst/Last): O(1)
llen (listLength): O(1) // 注:得益于 list.len 属性
4.1 linkedlist(双端链表)
这种结构类似于 Java 的 LinkedList。

从图中可以看出 Redis 的 linkedlist 特性:每个节点都有 prev 和 next 指针,链表本身持有 head 和 tail 指针。因此,获取前置、后置、表头、表尾节点的复杂度都是 O(1)。通过 len 属性获取节点数量的复杂度也是 O(1)。
与双端链表相比,压缩列表更节省内存,但进行修改或增删操作时复杂度较高。因此,当节点数量较少时,使用压缩列表更划算;节点数量多时,则使用双端链表。
4.2 ziplist(压缩列表)
当一个列表键只包含少量列表项,并且这些项要么是小整数值,要么是长度较短的字符串时,Redis 就会使用 ziplist 作为底层实现。

ziplist 是 Redis 为节约内存而开发的,它是由一系列特殊编码的连续内存块组成的顺序型数据结构(不像双端链表那样每个节点都是独立分配内存的指针)。其具体结构比较复杂。
在新版本的 Redis 中,列表的底层已经统一用 quicklist 替代了 ziplist 和 linkedlist:

quicklist 是 ziplist 和 linkedlist 的混合体。它将 linkedlist 按段切分,每一段使用一个 ziplist 来紧凑存储数据,多个 ziplist 之间再用双向指针连接起来。传统的链表每个节点的附加空间(prev 和 next 指针)就占了 16 个字节(64位系统),且每个节点单独分配内存,容易加剧内存碎片化,影响内存管理效率。

quicklist 默认的压缩深度是 0,即不压缩。为了支持快速的 push/pop 操作,quicklist 的首尾两个 ziplist 通常不压缩(此时深度为 1)。为了进一步节约空间,Redis 还可以使用 LZF 算法对中间的 ziplist 节点进行压缩存储。
Hash(哈希)
Hash 对象的底层实现可以是 ziplist(压缩列表)或者 hashtable(字典/哈希表)。

Hash 对象只有同时满足以下两个条件时,才会使用 ziplist:
- 哈希中元素数量小于 512 个。
- 哈希中所有键值对的键和值的字符串长度都小于 64 字节。
否则,将使用 hashtable。hashtable 可以实现 O(1) 复杂度的读写操作,因此效率极高。其核心源码如下:
typedef struct dict {
// 类型特定函数
dictType *type;
// 私有数据
void *privdata;
// 哈希表(通常使用ht[0],ht[1]用于rehash)
dictht ht[2];
// rehash 索引
// 当 rehash 不在进行时,值为 -1
int rehashidx; /* rehashing not in progress if rehashidx == -1 */
// 目前正在运行的安全迭代器的数量
int iterators; /* number of iterators currently running */
} dict;
typedef struct dictht {
// 哈希表数组
dictEntry **table;
// 哈希表大小
unsigned long size;
// 哈希表大小掩码,用于计算索引值
// 总是等于 size - 1
unsigned long sizemask;
// 该哈希表已有节点的数量
unsigned long used;
} dictht;
typedef struct dictEntry {
void *key;
union {void *val;uint64_t u64;int64_t s64;} v;
// 指向下个哈希表节点,形成链表(解决哈希冲突)
struct dictEntry *next;
} dictEntry;
typedef struct dictType {
// 计算哈希值的函数
unsigned int (*hashFunction)(const void *key);
// 复制键的函数
void *(*keyDup)(void *privdata, const void *key);
// 复制值的函数
void *(*valDup)(void *privdata, const void *obj);
// 对比键的函数
int (*keyCompare)(void *privdata, const void *key1, const void *key2);
// 销毁键的函数
void (*keyDestructor)(void *privdata, void *key);
// 销毁值的函数
void (*valDestructor)(void *privdata, void *obj);
} dictType;
上面的结构可以简化为如下示意图:

这个结构类似于 JDK7 之前的 HashMap<String,Object>。当两个或以上的键被哈希函数分配到数组的同一个索引(桶)上时,会产生哈希冲突。Redis 同样使用链地址法来解决冲突,即每个哈希表节点(dictEntry)都有一个 next 指针,多个节点用 next 指针构成一个单向链表。
Redis 的字典使用 hashtable 作为底层实现时,会持有两个哈希表(ht[0] 和 ht[1])。ht[0] 是平时主要使用的,ht[1] 仅在 rehash(重新散列)时使用。随着对哈希表的不断操作,键会逐渐增多或减少。为了让哈希表的负载因子维持在一个合理范围内,Redis 会通过 rehash 操作对哈希表的大小进行扩展或收缩。这个过程是渐进式的,分多次、逐步地将 ht[0] 里的所有键值对 rehash 到 ht[1] 中。
Set(集合)
Set 集合对象的底层实现可以是 intset(整数集合)或者 hashtable。

intset 当一个集合只包含整数元素,并且元素数量不多时,Redis 会使用 intset 作为底层实现。
typedef struct intset {
// 编码方式(决定contents数组的整数类型)
uint32_t encoding;
// 集合包含的元素数量
uint32_t length;
// 保存元素的数组(按值从小到大有序排列)
int8_t contents[];
} intset;
其关键操作复杂度:
sadd (intsetAdd): O(1) 平均
smembers (intsetGet): O(N) // 遍历整个数组
srem (intsetRemove): O(N) 平均
scard (intsetLen): O(1) // 直接返回 length
intset 底层是一个有序、无重复的整数数组。contents 数组的类型可以是 16位、32位或64位的整数。如果数组里所有整数都是16位的,当新加入一个32位的整数时,整个数组将“升级”成32位的数组。这种升级机制既提升了 intset 的灵活性(可以存放不同类型整数),又节约了内存(按需分配),但升级是不可逆的。
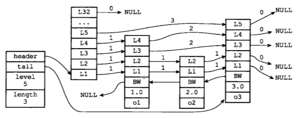
ZSet(有序集合)
ZSet 有序集合对象的底层实现可以是 ziplist 或者 skiplist(跳跃表)。

当一个有序集合的元素数量较多,或者成员是较长的字符串时,Redis 就会使用 skiplist 作为底层实现。
typedef struct zskiplist {
// 表头节点和表尾节点
struct zskiplistNode *header, *tail;
// 表中节点的数量
unsigned long length;
// 表中层数最大的节点的层数
int level;
} zskiplist;
typedef struct zskiplistNode {
// 成员对象
robj *obj;
// 分值(用于排序)
double score;
// 后退指针(用于从表尾向表头遍历)
struct zskiplistNode *backward;
// 层(Level数组)
struct zskiplistLevel {
// 前进指针
struct zskiplistNode *forward;
// 跨度(前进指针所指向节点与当前节点的距离/排名)
unsigned int span;
} level[];
} zskiplistNode;
其关键操作复杂度:
zadd (zslInsert): 平均 O(log N),最坏 O(N)
zrem (zslDelete): 平均 O(log N),最坏 O(N)
zrank (zslGetRank): 平均 O(log N),最坏 O(N)

skiplist 的查找时间复杂度是 O(log N),可以与平衡二叉树媲美,但实现起来更为简单。跳跃表是一种有序数据结构,它通过在节点中维持多个指向其他节点的指针(即“层”),从而达到快速访问节点的目的。这种高效的数据结构选择,是 Redis 能够应对复杂排序和快速检索需求的关键,也是其在高并发场景下保持高性能的重要基石之一。理解这些底层实现,对于在 系统设计 中合理运用 Redis 至关重要。
总结
Redis 的快,绝非偶然。从本文对五种核心数据类型底层实现的深度剖析可以看出,其高性能的秘诀在于对 数据结构 的极致优化。每种数据类型都针对不同的使用场景,配备了最合适的底层结构(如 SDS、quicklist、hashtable、intset、skiplist),并在内存分配(jemalloc)、编码转换、渐进式 rehash 等细节上做了大量精妙的设计。这些设计共同作用,使得 Redis 在内存操作、时间复杂度、空间利用率和实现复杂度之间取得了绝佳的平衡。深入理解这些 数据结构 与算法,不仅能帮助我们更好地使用 Redis,也是提升后端开发与架构设计能力的关键一步。