26.5 实验:使用DAC输出正弦波信号
26.5.1 硬件设计
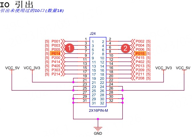
野火启明6M5开发板的引出引脚电路图如图所示。

野火启明4M2开发板的引出引脚电路图如图所示。

RA6M5和RA4M2都有2个DAC通道,两个通道分别可以连接到P014和P015引脚上。
表5:RA6M5和RA4M2的DAC引脚
野火启明2L1开发板的引出引脚电路图如图所示。

RA2L1只有1个DAC通道,该通道可以连接到P014引脚上。
表6:RA2L1的DAC引脚
注意
在本实验中,启明6M5、启明4M2和启明2L1开发板使用的都是P014引脚(DAC通道0)来输出模拟正弦波信号。
26.5.2 软件设计
26.5.2.1 新建工程
对于e² studio开发环境:拷贝一份我们之前的e2s工程模板 “19_UART_Receive_Send”,然后将工程文件夹重命名为 “26_DAC”,最后再将它导入到我们的e² studio工作空间中。
对于Keil开发环境:拷贝一份我们之前的Keil工程模板 “19_UART_Receive_Send”,然后将工程文件夹重命名为 “26_DAC”,并进入该文件夹里面双击Keil工程文件,打开该工程。
工程新建好之后,在工程根目录的“src”文件夹下面新建“dac”文件夹,再进入该文件夹里面新建源文件和头文件:“bsp_dac.c”和““bsp_dac.h”。工程文件结构如下。
列表3:文件结构
25_DAC
├─ ......
└─ src
├─ led
│ ├─ bsp_led.c
│ └─ bsp_led.h
├─ debug_uart
│ ├─ bsp_debug_uart.c
│ └─ bsp_debug_uart.h
├─ dac
│ ├─ bsp_dac.c
│ └─ bsp_dac.h
└─ hal_entry.c
26.5.2.2 FSP配置
打开该工程的FSP配置界面进行配置。
首先依次点击 “Stacks”->“Pins”->“Peripherals”->“DAC0” 来配置通道DA0对应的引脚为P014。如下图所示。

然后依次点击 “Stacks”->“New Stack”->“Analog”->“DAC(r_dac)” 来配置DAC模块。如下图所示。

DAC的属性配置:

除了DA0引脚选择按照默认值即可。
表7:DAC属性介绍

配置完成之后可以按下快捷键“Ctrl+S”保存,最后点右上角的 “Generate Project Content” 按钮,让软件自动生成配置代码即可。
26.5.2.3 DAC初始化函数
DAC初始化函数如下:
列表4:代码清单26‑3 DAC初始化函数
/**
* @brief 初始化 DAC
* @param 无
* @retval 无
*/
void DAC_Init()
{
R_DAC_Open(&g_dac0_ctrl, &g_dac0_cfg);
R_DAC_Start(&g_dac0_ctrl);
}
R_DAC_Open()配置单个DAC通道,启动通道,并提供用于DAC API写入和关闭函数的句柄。
R_DAC_Start()启动D/A转换输出。
26.5.2.4 设置DAC输出电压函数
列表5:代码清单26‑4 设置DAC输出电压函数
/**
* @brief 设置当前的电压
* @param 需要控制的电压
* @retval 无
*/
void DAC_SetVoltage(float voltage)
{
uint16_t dac_data;
dac_data = (uint16_t)(4095*((voltage)/3.3f));
R_DAC_Write(&g_dac0_ctrl, dac_data);
}
通过电压转换公式将输入的模拟量转换为数值量,输入到R_DAC_Write()函数里,R_DAC_Write()会将数据写入到D/A转换器里。
26.5.2.5 DAC输出正弦波
列表6:代码清单26‑5 DAC输出正弦波
//正弦波数据数组变量
uint16_t var[] = {
2048, 2460, 2856, 3218, 3532, 3786, 3969, 4072, 4093, 4031, 3887, 3668,
3382, 3042, 2661, 2255, 1841, 1435, 1054, 714, 428, 209, 65, 3, 24, 127,
310, 564, 878, 1240, 1636, 2048
};
/**
* @brief 生成正弦波波形
* @param 输入的值可以调节波形的周期
* @retval 无
*/
void DAC_SinWave_Cycle(uint32_t time_interval)
{
for(uint32_t i = 0 ; i < (sizeof(var)/sizeof(var[0])); i++)
{
R_DAC_Write(&g_dac0_ctrl, var[i]);
R_BSP_SoftwareDelay(time_interval, BSP_DELAY_UNITS_MILLISECONDS);
}
}
通过轮循的方式将之前python生成的正弦波数据输入到R_DAC_Write()函数里面,并且延时一段时间。而延时时间就是我们输入到函数里面的数值,通过改变这一数值我们就可以调节正弦波的周期以及频率。
26.5.2.6 hal_entry入口函数
列表7:代码清单26‑6 hal_entry入口函数
/* 用户头文件包含 */
#include "led/bsp_led.h"
#include "debug_uart/bsp_debug_uart.h"
#include "dac/bsp_dac.h"
void hal_entry(void)
{
/* TODO: add your own code here */
LED_Init(); // LED 初始化
Debug_UART4_Init(); // SCI4 UART 调试串口初始化
DAC_Init(); // DAC 初始化
printf("这是一个 DAC 输出正弦波的实验例程\r\n"); printf("使用示波器测量 P014 引脚(DAC 0)\r\n");
while(1)
{
DAC_SinWave_Cycle(1);
}
#if BSP_TZ_SECURE_BUILD
/* Enter non-secure code */
R_BSP_NonSecureEnter();
#endif
}
26.5.3 下载验证
用USB TYPE-C线连接开发板“USB TO UART”接口跟电脑,在电脑端打开串口调试助手,把编译好的程序下载到开发板。
使用示波器测量P014引脚输出的正弦波形,参考波形如下图所示。注意观察示波器测量出波形的频率值和电压峰值。

完成这个实验,你就能掌握使用瑞萨RA系列MCU和FSP库来驱动DAC外设的基础方法。从引脚选择到代码实现,整个过程清晰明了。如果你想深入了解更多嵌入式开发的技巧,或者获取更多实战代码示例,欢迎到云栈社区与其他开发者交流探讨。