
在软件测试领域,尤其是在汽车电子、工业控制等复杂系统中,CAN总线测试的需求往往呈现出多维度的特点。工程师不仅需要完成基础的报文收发和记录,还常常涉及DBC文件解析、物理层电气波形分析以及多路信号的同步采集。面对这些综合性的测试场景,如何选择一款高效、集成的工具?ZDL系列示波记录仪通过其独特的模块化板卡架构,为我们提供了一种将多种能力整合在一台设备上的解决方案。
模块化架构,按需扩展CAN采集能力
ZDL系列示波记录仪的核心优势之一在于其模块化设计。主机提供了多达8个板卡插槽,用户可以根据实际的测试需求,灵活搭配不同类型的采集板卡,从而实现电压、电流、数字IO、CAN总线等多种信号的采集。这种设计赋予了设备极高的配置灵活性。

图1:ZDL6000主机与模块化板卡插槽
例如,DQM-62151就是一款专用于CAN总线通信的双路板卡。它支持经典的CAN 2.0A/B协议以及更高速的CAN FD协议,波特率覆盖范围从5 kbit/s到8 Mbit/s。只需将这块板卡插入ZDL主机的任意一个空槽位,设备便立刻具备了专业的CAN总线数据采集与通信能力。

图2:DQM-62151 CAN/CANFD采集板卡
CAN报文的收发功能
配置好DQM-62151板卡后,ZDL示波记录仪便成为一个功能完整的CAN节点,既能被动监听总线报文,也能主动对外发送报文进行测试或仿真。
打开任意一个CAN通道,在其“控制设置”菜单中,用户可以详细配置收发器类型(选择CAN或CAN FD)、最大报文接收数量、是否启用只听模式、是否启用板卡内置的终端电阻等参数。对于CAN FD模式,还支持分别设置仲裁段和数据段的波特率与采样点,以适应更复杂的网络环境。

图3:CAN通道控制设置界面
当需要进行主动测试,比如模拟某个ECU发送特定报文时,可以进入“帧发送设置”菜单。这里提供了丰富的配置选项:帧类型(标准帧/扩展帧、数据帧/远程帧)、帧ID、数据长度、具体的十六进制数据内容、重复次数、发送间隔等。配置完成后,点击发送按钮,报文便会按照设定规则被发送到总线上。

图4:CAN通道帧发送设置界面
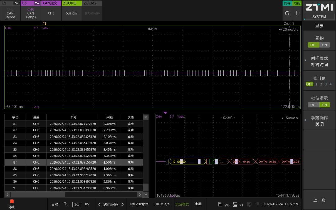
在实际验证中,你可以将设备的一个CAN通道设置为发送方,另一个通道设置为接收方。记录仪会实时显示接收到的所有报文,并以清晰的列表形式展示时间戳、ID、数据、状态等详细信息。通过缩放窗口,还能深入观察每一帧报文的时序细节。

图5:记录仪实现板卡间报文收发的效果
DBC实时解析
在真实的工程测试中,原始的二、十六进制CAN报文往往缺乏直观意义。它们需要结合对应的DBC数据库文件,被解析成有实际物理含义的工程参数,如车速、发动机转速、电池电压等。ZDL记录仪支持DBC文件的实时加载与解析,这一功能通过其“子通道”机制实现。
子通道是一种虚拟通道,用于关联DBC文件中定义的每一个信号。每个物理CAN通道最多可以创建60个子通道。操作时,首先在设置界面中加载对应的DBC文件。

图6:在ZDL系统中加载DBC文件
文件加载后,软件会自动列出DBC文件中定义的所有报文和信号。用户只需将需要关注的信号(例如“电池总电压”、“电机温度”)勾选并关联到指定的子通道上即可。

图7:将DBC文件中的信号关联到子通道
关联完成后,ZDL记录仪在接收CAN报文的同时,便会自动完成DBC解析。解析出的工程值不仅会显示在数据列表中,更能以趋势图的形式实时绘制出来,让参数的变化过程一目了然,极大地方便了数据分析和故障诊断。

图8:DBC解析后,信号以波形趋势图形式直观显示
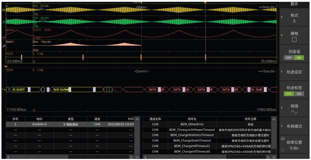
CAN报文与物理波形的同步分析
DQM-62151这类数字通信板卡擅长处理协议层的报文,但无法直接采集CAN总线物理层(CANH和CANL差分线)上的实际电气波形。然而,在进行故障排查、信号完整性评估或EMC干扰分析时,观察物理波形又是不可或缺的一环。
这时,ZDL示波记录仪模块化架构的扩展性再次显现价值。用户可以在主机中额外插入一张模拟量采集板卡。ZDL系列提供多款高精度、高隔离度的模拟采集板卡可选。

图9:可用于ZDL记录的模拟量采集板卡
将模拟板卡的通道接入CANH和CANL信号线,而数字CAN板卡则通过DB9接口连接至总线。由于所有板卡由同一主机时钟同步,ZDL软件能够在同一时间轴上,将CANH/CANL的模拟波形与解码出的CAN报文(甚至是通过DBC解析出的具体信号)并列显示。

图10:CAN报文(列表)与物理层波形(上方曲线)同步显示对照
这种协议层与物理层的“同屏”对照分析,能够帮助工程师快速定位问题根源。例如,可以直观地看到某次报文错误是否伴随着物理波形上的毛刺或畸变,从而判断是控制器逻辑错误,还是线路干扰、接地不良等物理层问题。
结语:什么场景适合用ZDL记录仪做CAN测试?
对于简单的、短时的CAN报文收发和记录任务,专用的CAN卡或便携式报文记录仪或许就能胜任。而如果仅仅是为了分析CAN信号的物理波形,一台示波器也是常见选择。
但是,当测试需求变得复杂和综合时,单一功能设备的局限性就显现出来。例如:
- 需要长时间(数小时甚至数天)连续记录CAN总线数据,并确保不丢帧。
- 需要在记录报文的同时,同步捕获其物理层波形进行关联分析。
- 测试场景不仅涉及CAN总线,还包含其他模拟传感器信号、数字开关量、LIN总线、以太网等多种信号,需要所有信号严格同步采集与分析。
在这些复杂的场景下,ZDL系列示波记录仪“多合一”的集成优势就非常突出。它将高性能的报文收发、实时的DBC解析、高精度的波形采集以及多类型信号的同步记录能力,整合在了一台设备中。这使其特别适用于新能源汽车(三电系统测试)、轨道交通(列车网络监控)、工业控制(大型装备状态监测)等领域中,那些要求高可靠性、高同步性和综合分析能力的CAN总线测试工作。
