三极管电路的工作状态可以分为静态和动态两种。所谓静态,指的是三极管在没有外加信号时的直流工作状态,此时各极的电流我们称之为静态电流。而当给三极管加入交流信号后,电路进入动态工作状态,这时的电流是交流工作电流。
要完整地分析一个三极管电路,通常需要遵循四个清晰的步骤:直流电路分析、交流电路分析、元器件作用分析和修理识图。掌握这四步,是理解和设计电路分析的关键。
直流电路分析方法
直流工作电压施加到三极管的各个电极,主要通过两条路径:一是三极管集电极与发射极之间的回路,二是为基极提供偏置的直流电路。
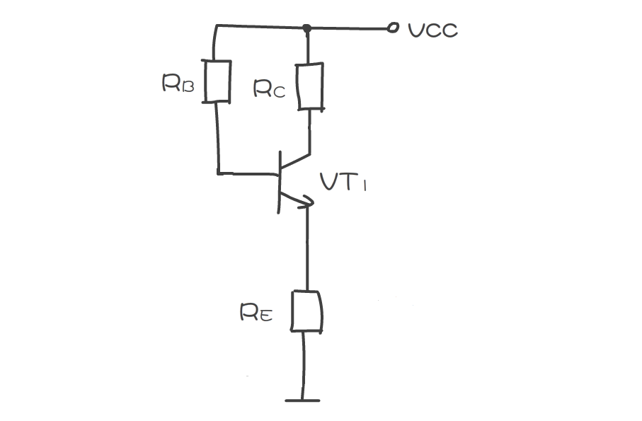
分析直流电路的目的,是弄清楚电源电压具体是如何加到三极管的集电极、基极和发射极的。下图展示了一个单级放大器的直流电路分析示意图,主要关注三个部分:直流供电、基极电流回路以及集电极-发射极电流回路。

在进行直流分析时,一个重要的技巧是利用电容的“隔直通交”特性。由于电容对直流电相当于开路,我们可以将电路中的所有电容视为断开,从而得到一个简化的直流等效电路。这样一来,分析工作就变得清晰且简单。

交流电路分析方法
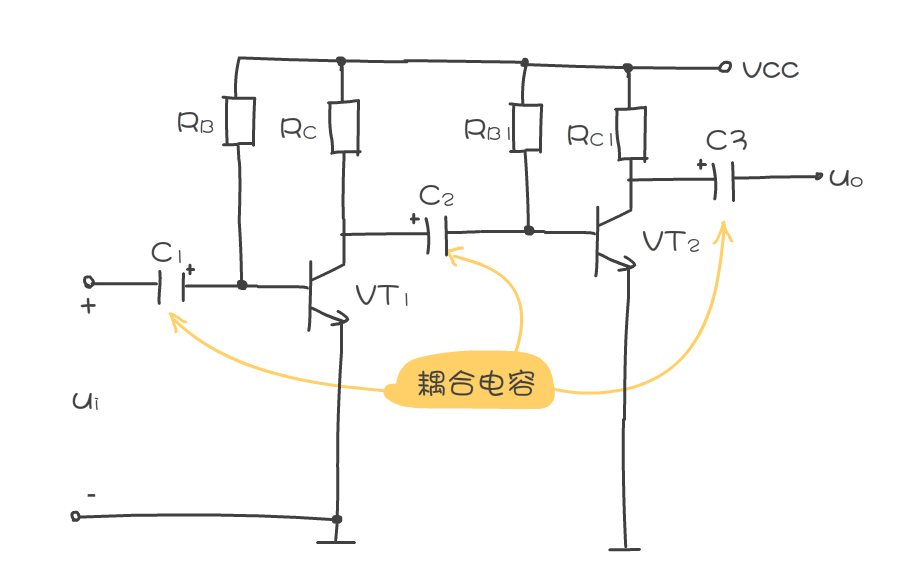
交流电路分析的核心是追踪信号的传输路径:信号从哪里输入,在放大器中经过了哪些元器件,最终从哪里输出。下图清晰地展示了信号在一个两级放大器中的流动轨迹。

除了路径分析,我们还需要关注信号在传输过程中经历了哪些处理:在哪一级被放大,在哪可能受到衰减,哪些环节只是“过路”而不改变信号幅度(如耦合环节),以及是否有信号补偿等。
在上图所示的电路中,信号依次流经 C1、VT1、C2、VT2 和 C3。其中,电容 C1、C2 和 C3 作为耦合电容,其作用仅仅是传递信号,本身不具备放大或衰减功能;而晶体管 VT1 和 VT2 则承担了核心的信号放大任务。
元器件作用分析方法
1. 从元器件特性出发
分析元器件在电路中的作用,必须牢牢抓住其核心物理特性。例如,我们判断耦合电容能让交流信号通过而阻断直流,其理论依据正是电容的“隔直通交”特性。这是进行所有逻辑推理的基础。
2. 明确具体作用
电路中的每个元器件都有其特定角色。通常一个元件只承担一种主要功能,但有时也会身兼数职。分析的目标就是精确理解每一个元件在特定电路中的具体贡献。
3. 掌握简化分析思路
一旦掌握了某类元器件的通用作用,分析时就可以简化。比如,明白了耦合电容的使命后,在后续电路中遇到类似的耦合电容,就无需再重复进行详细的特征推导,直接应用其“传输交流、隔离直流”的结论即可。下图再次强调了耦合电容在级联电路中的关键位置。

修理识图方法
修理识图直接服务于电路故障检修,它建立在完全理解电路原理的基础之上。由于故障现象是明确的,我们可以进行有针对性的分析,而不是漫无目的地检查每一个元件。
分析方法通常是:找出电路中的关键元器件,然后进行故障假设(例如假设其开路、短路、阻值变大或变小),并推理这些假设故障会对直流和交流通路分别产生什么影响,从而锁定可能的故障点。
修理识图的关键在于找到电路中的关键测试点。
1. 单级放大器的关键测试点
对于最常见的单级放大器,关键测试点就位于三极管本身。如下图所示,我们需要关注三个电极的直流工作电压。

测量顺序有优先级:集电极是第一测试点,其次是基极,最后是发射极。通过测量这三点的电压,可以快速判断三极管的工作状态是否正常。
2. 集成电路的关键测试点
对于集成电路,最关键测试点首先是电源引脚(确认供电是否正常),其次是输入信号引脚和输出信号引脚,通过对比输入输出可以判断IC是否在工作。
三极管基极偏置电路分析方法
基极偏置电路的分析往往让初学者感到棘手,但遵循以下步骤可以化繁为简:
第一步:定位三极管与基极
在电路图中找到三极管的符号,并明确标识出其基极引脚。这是所有分析的起点。
第二步:找出偏置电路元件
从基极出发,向上(朝电源VCC方向)找出所有相连的元器件(如偏置电阻Rβ1),再向下(朝地端)找出所有相连的元器件(如下偏置电阻Rβ2)。这些电阻构成了基极偏置网络的主体。注意,电容器因隔直特性,在直流分析中可视作开路,无需考虑。

第三步:分析基极电流回路
在确定偏置电阻后,描绘出基极电流的完整流动路径。例如,在上图电路中,基极电流回路为:VCC → 偏置电阻Rβ1 → VT1基极 → VT1发射极 → 发射极电阻RE → 地。
通过以上四个步骤的系统性分析,无论是面对简单的单管放大电路,还是更复杂的多级电路,你都能有条不紊地理解其工作原理。掌握这些方法,是踏入模拟电路设计大门的基本功。如果你对这些底层硬件知识有更多兴趣,欢迎到 云栈社区 与更多开发者一起交流探讨。