随着微电子技术和计算机技术的发展,传统的电气控制设备正经历着一场深刻的变革。功能单一的强电设备,逐渐演变为强弱电结合、具备高度数字化与智能化特征的新型微电子设备。在这场变革中,以单片机为核心的控制方案正在大量替代传统的继电器逻辑控制。
单片机属于存储程序控制,其核心控制逻辑通过软件指令实现,硬件配置也更为灵活可变。这使得当生产流程或控制需求发生变化时,无需重新设计复杂的硬接线电路,只需调整软件程序即可,极大地便利了产品的迭代升级和定制化生产。
然而,要将单片机应用到实际的工业控制场景中,首先需要解决接口匹配的问题。现场的各种控制信号,如限位开关、按钮、传感器输出的开关量等,必须转换为单片机I/O口能够识别处理的数字信号。同时,单片机输出的微弱数字信号也需要被转换、放大为足以驱动继电器、接触器、电机等功率执行元件的强电信号。因此,合理设计I/O口的驱动与隔离电路,是提升整个控制系统稳定性、可靠性与抗干扰能力的关键。本文将深入探讨几种在工程实践中广泛应用的电路设计方案。
1. 输入电路设计
输入信号最终通常以开关形式接入单片机。从工程经验来看,将开关的有效状态设计为低电平(即低电平有效),往往比高电平有效具备更强的抗噪声能力。

图1:低电平有效的开关信号输入电路
如图1所示,当开关S1按下时,单片机I/O口接收到低电平信号;平时开关断开时,则通过上拉电阻保持高电平。
考虑到标准TTL电平(5V)在长距离传输时易受干扰,可以采用更高电压(如+24V)传输开关信号,在单片机入口处再将高压信号转换为TTL电平。

图2:采用+24V传输并转换为TTL电平的输入电路
这种高压传输方式不仅显著提升了抗干扰能力,还能使开关触点在导通时接触更良好、更可靠。图2中的二极管D1用作反向电压保护,其反向击穿电压应不低于50V。
为了防止外界的尖峰脉冲或静电损坏单片机脆弱的输入引脚,可以在输入端增加保护电路。

图3:采用二极管的输入端钳位保护电路
如图3所示,由二极管D1、D2、D3和电阻Rs构成双向钳位保护电路。无论输入端出现正极性还是负极性的异常电压,该电路都能将电压幅度限制在安全范围内。电阻Rs(约1.5-2.5kΩ)与输入电容C构成RC积分电路,可以延缓短暂干扰脉冲的上升时间,进一步削弱其影响。
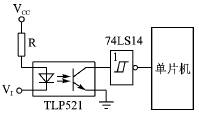
另一种极为常见且效果优秀的输入隔离方案是使用光电耦合器。

图4:光电耦合器隔离输入电路
如图4所示,电阻R用于限制流经光耦内部发光二极管的电流在10-20mA。光耦通过光信号传递信息,实现了输入侧与单片机侧电气上的完全隔离。由于发光二极管正向动态电阻较低,而外界干扰源内阻通常较高,根据分压原理,能够窜入输入端的干扰噪声电压被大幅衰减,从而有效抑制了地线环路干扰和其他形式的串扰。
在一些要求不高的简单场合,提升输入端可靠性的最直接方法是在端口与地之间并联一个电容来吸收干扰脉冲,或者串联一个薄膜电阻来限制瞬间峰值电流。
2. 输出电路设计
单片机I/O口的驱动能力非常有限(通常仅为几个mA),因此驱动功率器件时必须借助接口电路或驱动芯片。输出电路的设计需综合考虑被控对象的电压、电流、开关频率、波形边沿速度以及电气隔离要求。下面分析几种典型的输出驱动电路。
2.1 直接耦合驱动
在设计直接耦合的晶体管驱动电路时,应避免图5所示的错误结构。

图5:一个有问题的直接耦合输出电路示例
该电路的主要问题在于电阻R2的取值矛盾。为了在T2导通时提供足够的基极电流,R2必须很小;但在T1导通、T2截止期间,高压+15V几乎全部加在很小的R2上,会产生极大的电流,极不合理。此外,当驱动感性负载时,T2的发射极可能因反电动势而处于高电位,此时若T1导通将基极拉低,容易导致T2的基射结反向击穿。
一个更合理的直接耦合驱动示例如图6。

图6:一种可行的直接耦合输出驱动电路
当T1基极为高电平时,T1导通,电流流过R3、R4,在R3上产生的压降使T2导通,进而为功率管T3提供足够的基极电流使其饱和导通。当T1输入低电平时,T1截止,R3上压降为零,T2随之截止。电阻R5的作用是作为T2的集电极负载,并在T2截止时,为T3基区存储的电荷提供快速释放通路,加速T3的关断,减少关断损耗。
2.2 TTL或CMOS器件耦合驱动
当单片机通过集电极开路(OC)的TTL或CMOS门电路输出时,通常采用图7(a)所示形式,通过上拉电阻R1将驱动电压提升至+15V。

图7:集电极开路输出及其改进型驱动电路
但这种基础电路的开关速度较慢,直接驱动功率管时,若负载为感性,缓慢的上升沿会增大功率管的动态开关损耗。为此,可采用改进电路。图7(b)增加了晶体管T1,当OC门输出高电平时,T1导通,快速为负载电容充电,提升了开通速度。图7(c)则采用了推挽输出结构,T1负责快速上拉(开通),T2负责快速下拉(关断),同时因为T1工作于射极跟随器模式,不会进入饱和状态,有利于提高整体的开关频率。
2.3 脉冲变压器耦合驱动
脉冲变压器利用电磁感应原理实现隔离,是经典的电磁隔离元件。其原理是将单片机的开关信号调制到一个高频载波上,通过变压器耦合到副边,再解调还原为开关信号。

图8:脉冲变压器隔离输出电路
如图8所示,需要一个频率远高于单片机输出信号频率(通常10倍以上)的载波脉冲源。单片机输出信号作为控制门G的使能信号。当单片机输出高电平时,G门打开,高频脉冲通过变压器耦合到副边,经二极管D1、D2整流和电容滤波后,还原出高电平信号驱动后级功率管。当单片机输出低电平时,G门关闭,变压器无输出。
此电路巧妙之处在于,变压器同时传递了信号和能量。提高载波频率可以减小变压器的体积。同时,由于原副边完全电气隔离,副边输出信号的电位可以“悬浮”,不受前级电源电压的限制,非常适合驱动高端功率器件。当单片机本身输出就是高频PWM信号时,可以省去独立的脉冲源和G门,直接对变压器电路进行设计。
2.4 光电耦合器驱动
光电耦合器同样能用于输出级隔离,传输开关信号。关于光耦的更多基础知识和应用,可以参阅相关文章(光耦知多少)。

图9:光电耦合器隔离输出电路
图9展示了一个典型应用。单片机输出信号经7407缓冲驱动器放大后驱动光耦。电阻R2是光耦输出端晶体管的负载,其取值需确保光耦导通时,其内部晶体管深度饱和;光耦截止时,后级晶体管T1能可靠饱和导通。光耦的主要缺点是响应速度相对较慢,会引入额外的开关延迟时间,因此在高频开关场合的应用受到限制。
结语
虽然标准的单片机接口芯片在很多场合下使用方便,但在面对大电流驱动、高开关频率、强电磁干扰等复杂工业环境时,常常需要根据具体需求定制外围驱动与隔离电路。本文探讨的几种输入输出电路结构,如低电平有效输入、高压电平转换、二极管/光耦/变压器隔离、以及各类晶体管驱动拓扑,经过了广泛的工程实践验证。深入理解这些电路的工作原理和设计要点,对于构建稳定、可靠、抗干扰能力强的单片机控制系统具有重要的实用价值。在云栈社区的嵌入式开发板块,也能找到更多关于硬件接口设计的深度讨论与经验分享。