
这是一块BMS主板,对于从事相关产品开发的朋友来说应该很熟悉。板子上集成了控制部分和功率部分。今天我们先简单聊聊BMS系统,再重点剖析板上的一个关键角色——一颗耐压高达150V的国产DCDC芯片。
将主板局部放大,可以看到一颗丝印为“Hi9263”的芯片,采用ESOP8封装。它个头虽小,却肩负着为板上低压电路供电的重任。

BMS简介
BMS,即电池管理系统,是当下新能源领域的热门部件。其重要性源于新能源汽车和储能市场的爆发式增长,市场对电池的安全性、寿命和效率提出了更高要求。
那么,BMS具体做什么?简而言之,其工作可分为两部分:硬件负责感知与执行,通过主控盒、高压盒、低压管理系统以及各类传感器、继电器和熔断器,精确采集电池状态;软件则负责决策与通信,监控电压、电流、温度等关键参数,并与整车控制器、充电机协同,实现精准的充放电控制。

BMS框图
这就引出一个问题:BMS自身的工作电源从何而来?
目前,许多电动两轮车、换电柜及低压储能系统的动力电池总电压通常在48V、60V、72V,甚至高达100多伏。然而,BMS内部的MCU、AFE、通信模块等芯片均需要5V、3.3V或12V等低压供电。因此,需要一个高效的降压转换环节。
在BMS中采用高输入电压的DCDC芯片,正是为了直接从高压动力电池取电,高效降压后为低压电路供电。这种设计简化了系统架构,避免了额外增加一级低压辅助电池转换带来的能量损耗。同时,在系统休眠或低压电池亏电时,这颗DCDC芯片能确保BMS维持基本的监控与通信功能,从而提升了系统可靠性。可以说,这颗能承受100V以上输入电压的DCDC芯片,是BMS系统中的关键电源角色。
Hi9263芯片介绍
今天讨论的Hi9263,正是专为此类高压降压应用而设计。
先看基本参数:其输入电压范围宽达6V至150V,输出电压可在1.2V到48V间调节,最大输出电流为3A(内置MOSFET版本)。这个电压范围意味着,无论是48V的电动自行车、72V的两轮车,还是上百伏的电动汽车高压系统,它都能直接从电池取电,无需额外的预降压电路。
这颗芯片有几个值得关注的实用特点:
1. 高达150V的持续输入耐压
150V的耐压设计提供了充足的余量。在实际应用中,高压母线常存在电压尖峰和波动,足够的耐压余量是系统稳定的基石。Hi9263的150V耐压足以应对此类工况,实测冗余充足,用于BMS主控或预驱供电时能提供更高的安全边际。


2. 超快动态响应与低输出纹波
芯片采用专利控制算法,动态响应速度极快。其实际优势在于,当负载发生突变时,输出电压能快速稳定,避免大幅度的跌落或过冲。同时,输出纹波也控制得较低,这对于为AFE、MCU等对电源质量敏感的负载供电至关重要。

3. 内部集成随机序列编码抖频,优化EMI性能
EMI问题在电源设计中颇为棘手。Hi9263内部集成了随机序列编码抖频技术,能将开关频率的能量分散到更宽的频带,而不是集中在单一频点辐射出去。这在实际产品设计中,有助于更轻松地通过EMC测试,减少外围滤波元件的使用。
如下是其实测EMI报告,在30MHz-300MHz频段内,最低余量也在6dB以上。

4. 完备的保护功能
芯片集成了过温保护、输出短路保护、欠压保护及软启动等功能。软启动电容外置,可根据实际需求调节启动时间,有效抑制上电冲击电流。使能脚(EN)便于在需要时关断芯片。
其采用ESOP8封装,并带有底部散热焊盘,在3A全负载输出下散热表现良好。相比需要外置MOSFET的方案,内置MOSFET省去了选型匹配的麻烦,也节约了PCB面积,对空间紧凑的设计更为友好。
5. 超低静态功耗
芯片在低功耗方面的表现同样出色。当EN脚被拉低,芯片进入待机模式时,静态电流极低。

在芯片正常工作但空载的条件下,输入电流也维持在极低水平。

总体而言,其功耗表现非常出色,非常适合对功耗有严格要求的应用。
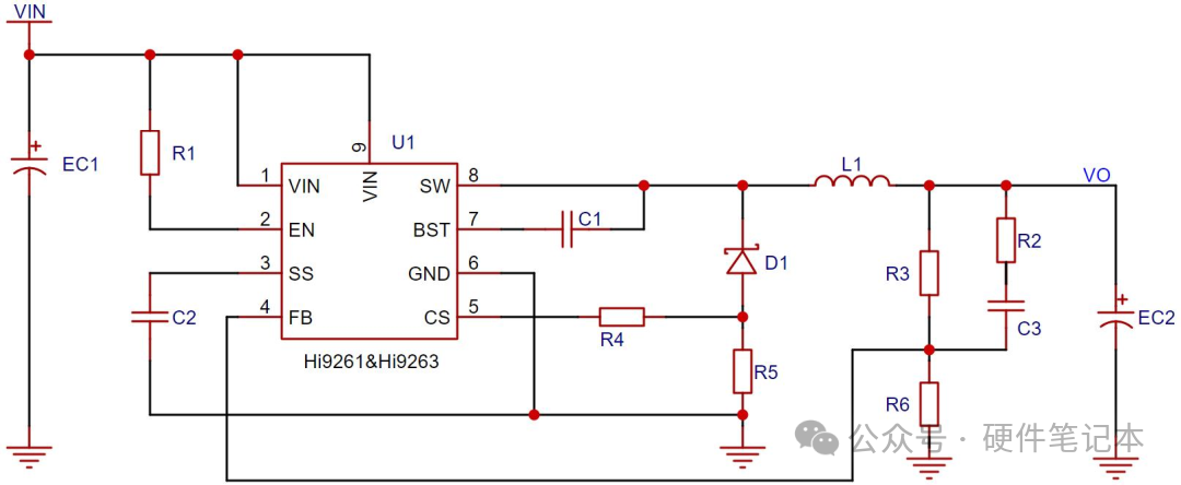
参考设计
下图是Hi9263的典型应用电路,外围结构简洁。VIN直接连接芯片输入引脚,最高可承受150V输入。

当输入电压超过120V时,原厂明确建议:在SW引脚和BST引脚之间串联一个100Ω电阻。该值是经过严格测试验证的,能有效平衡性能与可靠性。这个建议为高压应用场景提供了明确指导,减少了工程师的调试工作量。

这个电阻主要有两个作用:
- 减缓高侧MOS管的开启速度,抑制SW开关节点上的电压尖峰。
- 限制自举电容首次上电时的浪涌充电电流,保护内部驱动电路。
1. 输出电压设置
输出电压通过FB引脚外接的电阻分压网络设定,FB引脚的基准电压为1.2V。

计算公式如下,根据所需输出电压计算电阻值即可。
V_OUT = V_FB (R_1 + R_2) / R_2

2. 电感选择
电感的计算公式在数据手册中提供,主要依据输入输出电压、开关频率、输出电流和期望的纹波系数来计算。纹波系数通常取0.2至0.4。

3. 输出电容
输出电容用于稳定输出电压、滤除纹波。手册建议使用低ESR的陶瓷电容或电解电容。输出纹波与电容的ESR和容值都有关。

容值越大,滤波效果越好,但成本也相应增加。若不想深入计算,直接采用经过验证的参考设计值是稳妥的选择。
4. SS软启动电容
建议在SS引脚与地之间连接一个1μF的电容,以设置软启动时间。


5. 可调CS采样电阻基准,降低检测损耗
芯片的CS引脚用于电流检测和过流保护。通过调节外部电阻,可以灵活设置过流保护阈值。较低的电流检测基准电压设计,有助于减小采样电阻上的功耗,提升整体转换效率。

关于计算机基础与更深入的电路设计要点,感兴趣的朋友可以咨询原厂获取完整的设计资料。
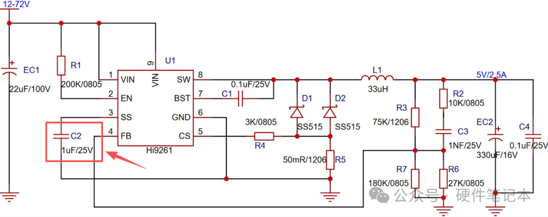
Demo板介绍与测试参数
基于Hi9263制作的Demo板,输入电压范围12V-120V,输出5V/1.5A,覆盖了常见的应用场景。
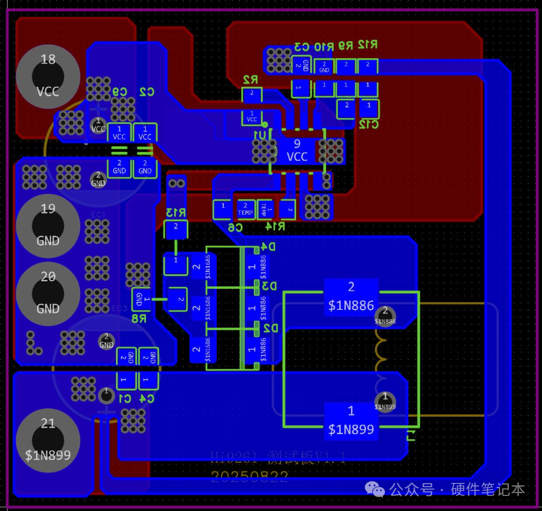
下图展示了Demo板的PCB布局图和实物图(顶层)。可见两个大型电解电容,分别用于输入和输出滤波,其主要作用是滤除低频纹波,使电压更平稳。


下图是Demo板的PCB及实物底层图。DCDC控制芯片、输出功率电感以及相关的阻容元件均布置在这一面。


原厂实测数据如下:
芯片在150V输入、12V/3A负载条件下进行ON/OFF测试,工作稳定。

开关机软启动过程平滑,无明显电压过冲。

开关节点波形干净,振铃现象得到有效抑制。

动态负载响应迅速,输出电压跌落小,恢复快,无振荡。

短路保护功能可靠,能正常触发并恢复。

温升测试结果良好,即使在130V输入、2A输出条件下,IC本体最高温度也仅为86.5°C。

从测试结果来看,这颗芯片在高压输入、低压大电流输出的严苛场景下,展现了优秀的稳定性和可靠性。
小结
Hi9263是一颗输入耐压高达150V、输出电流3A的异步降压DCDC控制器。它采用内置MOSFET设计,封装小巧,外围电路简洁。其核心价值在于解决从高压母线直接取电,并为低压计算机系统供电的难题,广泛应用于BMS、电动自行车转换器、换电柜、工业控制、无人机等领域。
如果你正在从事相关项目,不妨深入了解一下这颗芯片,也可以向原厂申请Demo板进行实测验证。希望这篇来自云栈社区的拆解分析能为你带来一些启发。