在刚刚结束的 GTC 2026 上,英伟达正式推出了 Vera Rubin POD。这不仅是一套极致的软硬件协同设计的集群,更是一台由多机架系统构成的 AI 超级计算机。
具体来看,Vera Rubin POD 通过整合负责计算、网络和存储功能的七种芯片,形成一个拥有 40 个机架结构、1200 万亿个晶体管、接近 20000 个英伟达 die、1152 个 Rubin GPU、60 exaflops 算力和 10 PB/s 总 scale-up 带宽的庞然大物。这七种芯片包括 Rubin GPU、Vera CPU、NVLink 6 Switch、ConnectX-9 SuperNIC、BlueField-4 DPU、Spectrum-6 Ethernet Switch,以及集成的 Groq 3 LPU。
Vera Rubin POD 由 5 种专用机架组成,包括 NVL72 计算架、Groq LPX 推理架、Vera CPU 架、BlueField-4 存储架和 Spectrum-6 网络架,它们均基于第三代 NVIDIA MGX 机架架构设计。作为一套为超高密度 AI 工厂设计的 40 机架规模 AI 超算,其功率密度需求同样惊人,完整 POD 的总功率可高达数百兆瓦。因此,英伟达从去年便开始大力推动 800VDC 高压直流供电架构,以取代传统的 415VAC 和 48/54 VDC 供电方式,满足 Rubin 平台惊人的电力胃口。

根据英伟达的交付计划,Rubin 平台芯片目前已进入量产阶段,NVL72 等机架正在同步生产。预计 Vera Rubin 平台产品,包括 POD 和 NVL72 机架,将从 2026 年下半年起由系统制造商合作伙伴开始交付。
因此,在 Rubin 平台临近交付的关键节点,今年的 GTC 上,一些 800VDC 架构的生态合作伙伴也展示了最新的解决方案。从各家的方案来看,800V-50V、800V-12V、800V-6V 单级转换 是目前 800VDC 供电架构中最核心、也最具挑战性的模块之一。了解这些前沿的电源转换方案,对于构建下一代高效 AI 数据中心 至关重要。
德州仪器(TI)
TI 在 NVIDIA GTC 上展示了其全面的 800 VDC 电源架构解决方案。该方案仅需两个功率转换级,即可将 800V 转换为 GPU 核心所需的电压:首先通过高峰值效率的紧凑型 800V 至 6V 隔离式母线转换器,再由高电流密度的 6V 至 1V 以下多相降压解决方案完成最终转换。具体包括:
- 800V 热插拔控制器:可扩展的热插拔解决方案,提供 800V 电源轨的输入保护,支持安全热插拔和故障隔离。
- 800V 至 6V DC/DC 汇流排转换器:高密度设计,集成 GaN 功率级,峰值效率达 97.6%,功率密度 > 2,000 W/in³,适用于计算托盘应用。这是方案中的核心创新,仅用一级转换就将 800V 降至 6V,通过缩短转换路径减少了能量损失,也是 GaN 高频功率器件在数据中心应用的标杆案例之一。
- 6V 至 <1V 多相降压转换器:专为先进 GPU 核心设计的高电流解决方案,与传统 12V 设计相比功率密度更高,采用双相功率级,支持极低电压下的高电流需求。
- 30kW 800V 高功率密度 AC/DC 电源:适用于 AI 服务器的 AC 到 800V DC 转换,高密度设计,支持大规模 AI 负载。
- 800V 电容器组单元(CBU):采用 EDLC(双电层电容器)超级电容单元,功率密度达 40 W/in³,能在 GPU 瞬间高负载时提供即时能量补偿,增强整个供电系统的动态响应稳定性,其功能类似于 Vera Rubin POD 的 Intelligent Power Smoothing。
- 800V 至 12V DC/DC 汇流排转换器:用于计算托盘中非核心组件的电源转换,以兼容部分仍使用 12V 负载的场景。
纳微半导体(Navitas)
从 800V 直接到 6V 的单级转换,是目前 800VDC 架构中难度最高的部分之一。纳微半导体在 GTC 2026 上推出了采用 GaNFast 技术的新型 800V-6V DC/DC 电源转换板。该模块在满负荷运行时的峰值效率高达 96.5%,开关频率为 1MHz,实现了 2100W/in³ 的功率密度。其厚度比手机还要薄约 20%,这种超薄设计使其能够与 GPU 芯片紧密集成,从而最大程度地提升系统瞬态响应能力和电能分配效率。

该模块的初级侧电路采用了 16 颗 650V GaNFast 功率管,使用最新的 DFN8×8 双面散热封装,并以堆叠全桥结构配置。中心抽头输出端则采用 25V 硅基 MOSFET。1MHz 的高开关频率允许使用最小尺寸的无源器件与平面磁件,从而实现最高的功率密度。
英诺赛科(Innoscience)
英诺赛科在 GTC 2026 上重点展示了其 800V-to-50V 全氮化镓电源模块方案。该模块位于 AI 服务器电源系统的关键前级转换环节,采用了英诺赛科最新的第三代氮化镓器件(包含 8 颗 650V GaN 和 32 颗 100V GaN),可将 800V 高压直流母线电压直接转换为 50V 服务器标准电压,为后端 GPU 服务器提供稳定、高效的输入电源。

值得注意的是,在 NVIDIA 本次现场展示的全套 800V HVDC AI 数据中心电源解决方案生态中,超过半数的合作伙伴电源系统方案,均以英诺赛科的氮化镓器件为核心构建。英诺赛科表示,其已成为全球最大的氮化镓功率半导体供应商之一。在 NVIDIA AI Factory MGX 生态系统中,公司推出的 800V-50V、800V-12V、800V-6V 氮化镓核心电源模块,可有效满足下一代 AI 数据中心 800V HVDC 电源架构对高效率、高功率密度电源转换的核心需求。
意法半导体(ST)
ST 与 NVIDIA 深度合作,推出了针对 800 VDC AI 数据中心电源转换的产品组合扩展,包含三种电压架构和三块高功率交付板,专为 Vera Rubin POD、NVL72 等超高密度 AI 机架设计。
2025 年,ST 推出了 800V-50V 的 DC/DC 方案,展示了一款紧凑型 GaN LLC 谐振变换器,可直接接入 800V 高压,工作频率达 1MHz,转换效率超过 98%,并在手机大小的体积内,实现 50V 输出时功率密度突破 2600W/in³。今年,ST 进一步推出了 800V-12V(6 kW PDB)和 800V-6V(20 kW PDB)的方案。
其中,6kW PDB 是一款开关频率为 850 kHz 的 LLC 转换器,峰值效率达到 97.5%,功率密度为 2500W/in³,原边采用 700V GaN,副边采用 40V 低压 MOSFET。12kW PDB 则是开关频率为 650 kHz 的八级堆叠 LLC 转换器,峰值效率 96.5%,原边采用 120V GaN,副边为 25V MOSFET。其在拓扑上创新地将传统全桥拆分为两组 4 个小型并联整流桥,以缩小铁氧体磁芯尺寸并分散热量。
英飞凌(Infineon)
英飞凌以其 CoolGaN 技术为核心,向业界展示了两款针对 NVIDIA 800 VDC 架构的高压中间汇流排转换器(HV IBC)参考设计。
其中一款参考设计将 800 VDC 直接转换为 50 V 中间总线,采用输入串联输出并联(ISOP)的拓扑结构,由两个 3 kW 模块并联组成,总连续功率达到 6 kW,并在 400 微秒内可支持高达 10.8 kW 的瞬态峰值输出。其峰值效率超过 98%,功率密度达到 2500 W/in³,整体尺寸控制在 60 mm × 60 mm × 11 mm 的紧凑方形封装内。
另一款是 800 VDC 转换为 12 V 输出的参考设计,同样基于 ISOP 半桥 LLC 拓扑,并引入了矩阵变压器技术。其连续功率 6 kW,瞬态峰值同样支持 10.8 kW,峰值效率达到 98.2%,满载效率 97.1%,功率密度超过 2300 W/in³。其体积非常亮眼,高度仅 8 mm,占地 130 mm × 40 mm。这种极致扁平化设计极大方便了液冷板集成和服务器主板的紧凑布局,为超高密度 GPU 配置腾出了宝贵空间。
两款设计都大量使用了英飞凌自家的 650 V CoolGaN 功率器件作为原边开关元件,结合 EiceDRIVER 栅极驱动器和 PSoC 微控制器实现精准控制。副边则采用 OptiMOS 7 系列低压功率 MOSFET,确保高效的同步整流。
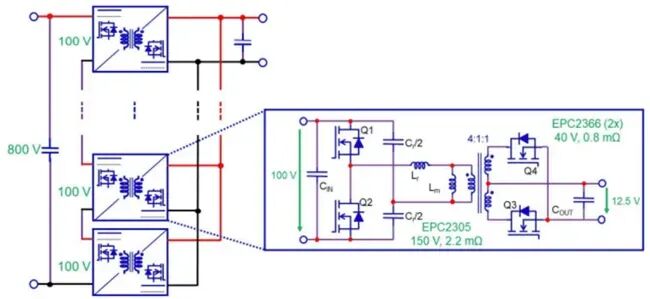
EPC
EPC 开发了一款基于氮化镓的 6 kW 直流转换器,可直接将 800 VDC 降压至 12.5 VDC。该设计充分利用了氮化镓低损耗、高开关频率的特性,满载效率接近 97%。该转换器采用输入串联、输出并联(ISOP)的 LLC 拓扑,将系统拆分为 8 个相同的模块。同时,整机占地面积约 5000 平方毫米,厚度不足 8 毫米,非常适合高密度的 GPU 服务器 布局。

EPC 表示,在该方案中,半桥 LLC 谐振变换器成为高功率、高频转换的首选。利用谐振槽实现软开关操作,大幅降低了开关损耗。相比于硬开关转换器,LLC 拓扑具有更优的热性能和更高的功率密度,是 800V 母线电压下机柜级转换器的理想选择。
安森美(onsemi)
安森美在本次 GTC 上重点展出了其 800V/12V IBC 板卡。该方案基于安森美领先的 SiC 技术,能够为高压总线架构下的关键转换节点提供高效、可靠的保护与转换能力。其在提升能效、降低数据中心总体持有成本(TCO)方面具备显著优势,是面向下一代高压数据中心架构的关键使能方案。
安森美表示,作为业内少数能够提供从电网到 GPU 全链路电源方案的供应商之一,其依托先进的碳化硅(SiC)和垂直氮化镓(vGaN)技术产品组合,覆盖了 AI 数据中心电力转换的多个关键环节:在数据中心供电入口处,安森美 EliteSiC 分立器件与功率模块可有效提升能效与功率密度;在电源供应器(PSU)和电池备用单元中,SiC Cascode JFET 与 PowerTrench T10 Si MOSFET 的组合,为高功率 AC-DC 转换提供了理想选择;在整个供电链路中,安森美还提供热插拔保护、eFuse 等方案,确保系统在全负载范围内可靠运行。