
上图展示了特斯拉官方开源其初代Roadster跑车设计与工程文件的网站界面。
官网公开的文件主要分为四大类:服务信息、用户手册、工具箱文章以及研发文件。其中,服务信息部分最为详尽,包含了完整的服务手册、零件手册,以及电路图、连接器信息、车辆操作原理和电池系统工作原理等关键技术文档。
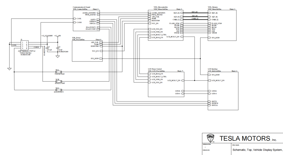
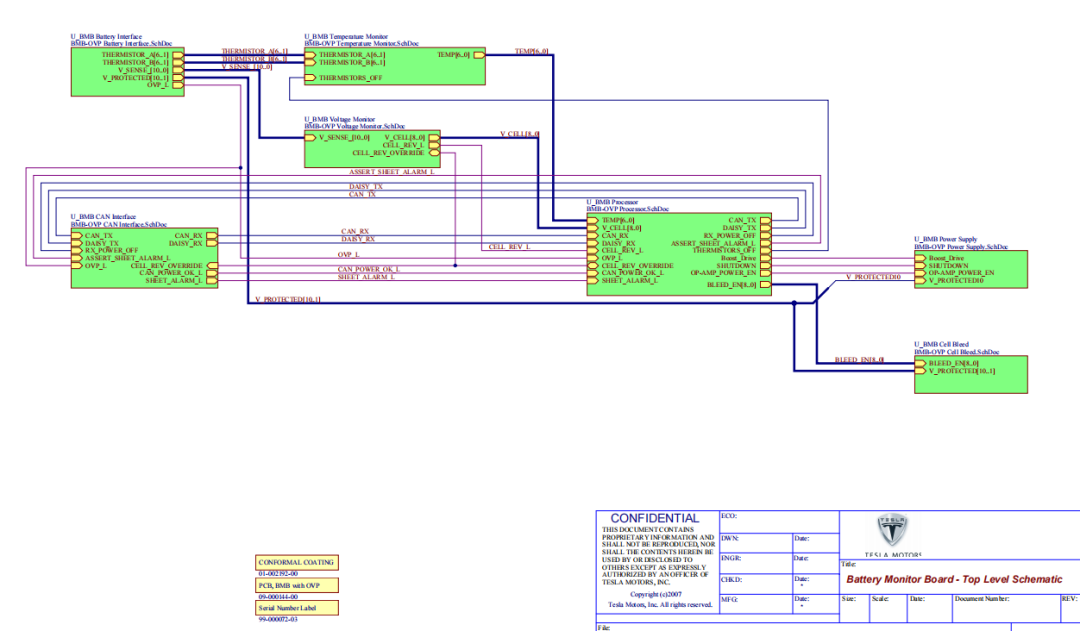
以连接器文件为例,特斯拉开源了涵盖2008年左舵款、2010年左舵款以及2010年敞篷右舵款Roadster的所有保险丝位置、接地点定义和连接器引脚定义。除了系统框图全部公开外,还部分开源了核心电路板的原理图,包括电池监控板、车载显示系统以及空调系统控制器三块主板的设计资料。这些资料为从事汽车电子系统与硬件开发的工程师提供了宝贵的学习和参考价值。
一、车载显示系统


二、电池监控板


三、暖通空调控制板


特斯拉开源工程和图纸下载链接
链接:https://pan.baidu.com/s/14Q4_revZd8tgYtukUwf6bg
提取码:hrxa

本文资料源自网络,版权归原作者所有,仅供技术学习交流。
|