
本次拆解的对象是一款采用铸铝散热外壳的电瓶车控制器。


其顶壳为黑色ABS材质,通过螺丝与铸铝底壳固定,并在接缝处的槽内灌胶以实现防水密封。电源与电机相线的接线螺柱分布在控制器左侧,这种布局暗示了内部电路板很可能采用一端布置功率器件、另一端布置控制电路的经典设计。


打开外壳后,可见ABS上盖内侧固定有一块信号转接板。观察主控制板,验证了这一布局:接线螺柱侧集中了电解电容、汇流铜排和两排MOS管;而另一侧则是微控制器(MCU)、预驱动器、电源管理等控制核心电路。

主控MCU采用极海半导体的APM32F103CBT6,其与STM32F103CBT6高度兼容。板载预留了四孔SWD调试接口,用于程序烧录,并在SWCLK和SWDIO信号线上各串联了一个100欧姆电阻。

相电流采样部分使用了两颗SOP-8封装的运算放大器,其具体型号难以辨识,侧面反映了国产模拟芯片的快速发展。分析其外围电路是理解设计的关键:板上并未见到常见的、串联在每相下桥臂对地的采样电阻,但发现每个下桥臂三个MOS管中最左侧一个的漏极(D)和源极(S)均引出了信号线,并连接到运放周围的电阻网络。


这表明,该控制器巧妙地利用了下桥臂MOS管自身的导通电阻(Rdson)作为采样电阻,实现了无外置采样电阻的相电流检测方案。
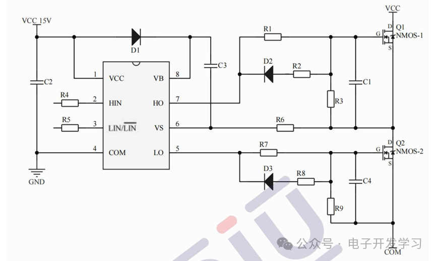
半桥驱动器采用了宇力半导体的U3215C。对于小功率应用,其典型驱动电路设计已能提供快速的MOSFET栅极充放电能力,本控制器即采用了此简化方案。


电源管理部分,使用士兰微的SD4938将电池输入电压降压,为栅极驱动器供电。根据其规格书描述,其第7脚(电压设置引脚)的接法决定输出电压:悬空为12V,下拉电阻为18V,接地则为15V。观察PCB实物,SD4938的第7脚直接接地,因此输出为15V。


此15V电压再通过一颗低压差线性稳压器(LDO)降至3.3V,为控制系统供电。此外,板上并联了两颗阻值为1毫欧、精度1%的采样电阻,用于检测母线电流。

功率部分设计值得关注:板上使用了三条宽大的导流铜条(一条位于电容后)承载大电流。


共使用了6个330μF/100V的电解电容(品牌丝印为ZhiCheng)。功率开关器件为18颗TO-220封装的MOS管(型号S10H045R),采用每臂三管并联(三并管)的形式。这种布局使得每个桥臂的功率路径清晰直观,有利于优化布线。



观察PCB背面,可见每个桥臂的6个MOS管引脚通过一块贴片式导流板直接与相线接线柱连接,进一步降低了连接阻抗。

该控制器主板为四层板结构,内层用于铺设计算机供电等大电流铜皮。

设计分析
从工程角度看,最优方案是将功率电路与控制电路完全分离,分别制作在铜基板(或铝基板)和普通FR-4板上,并分层叠放。这样功率板可直接紧贴外壳散热,且控制板无需承受大电流,性能与可靠性最佳,但成本较高。
最普遍的方案则是控制与功率电路混合布设在单块大面积双层板上。此方案成本最低,但布局往往杂乱,电气性能与散热能力受限。
本次拆解的控制器设计居于两者之间。它通过合理的分区布局、采用四层板并结合悬浮导流条技术,既有效解决了大电流承载与散热问题,又保证了控制部分的规整。这种在电源管理与功率驱动上的折中设计,在成本与性能之间取得了良好平衡。
|