结构设计的核心在于通过模拟装配PCB、喇叭等核心部件,验证方案的可行性,并最终生成指导箱体加工的开孔图纸。完成验证后,即可确定配件型号并进行采购。
以下操作涉及Solidworks软件,本文侧重于设计流程与思路,关于软件的详细操作请参考相关教程或文档。若不熟悉该软件,可直接查看最终的开孔图纸结果。
1. PCB建模
PCB上的电位器、3.5mm音频插座、LED指示灯等元件的尺寸和位置,直接决定了箱体上对应开孔的位置与大小。我们可以利用嘉立创EDA导出PCB的3D模型,经格式转换后供Solidworks使用。
(1) 导出3D PCB模型
在嘉立创EDA中打开PCB文件,进入3D预览模式。点击菜单栏的“导出 -> 3D文件...”,在保存时选择“STEP”格式,如图3-6-6所示。

图3-6-6 导出STEP格式的3D PCB文件
(2) 格式转换与模型简化
使用Solidworks打开上一步导出的PCB模型文件,如图3-6-7所示。

图3-6-7 Solidworks打开PCB的3D模型
为提升在Solidworks中的操作流畅度,尤其是电脑配置一般时,可以对模型进行简化。仅保留PCB基板、电位器、插座等与结构安装相关的零件,删除其他无关的电子元件。图3-6-8展示了简化后的模型(图中LED灯座为手动补充建模)。

图3-6-8 精简后的PCB板模型
将此简化后的模型保存,即自动转换为Solidworks原生格式,便于后续装配操作。
2. 箱体及其他配件建模
使用Solidworks为防水接线盒(包括底盒与盒盖)、电源开关、Type-C充电插座、手提把手、喇叭防护网罩等所有需要安装的零件建立3D模型,作为装配组件备用。
3. 音箱结构建模与装配验证
新建一个装配体文件,导入上述所有建好模的配件。将作为箱体的防水接线盒(底盒与盒盖)按实际使用方向固定,如图3-6-9所示。布局时,让锂电池置于箱体内部下方,PCB上的电位器朝上,使其旋钮柄能穿过箱体顶面。
其中,PCB底部与外壳内壁的间隙设定为10mm,同时确保电位器的固定端面紧贴箱体顶面内壁。

图3-6-9 创建装配体并导入主要配件
随后,将电源开关、Type-C充电插座、铝合金拉手、喇叭和网罩逐一进行定位安装。经过多次调整,最终确定如图3-6-10所示的整体结构布局。

图3-6-10 确定的结构设计
4. 绘制面板开孔草图
以装配体中的PCB模型为参考,在防水接线盒底盒的顶部面板(用户操作面)上绘制开孔草图,如图3-6-11所示。草图需精确反映电位器旋钮孔、音频插座孔等的位置和直径。

图3-6-11 根据PCB绘制开孔草图
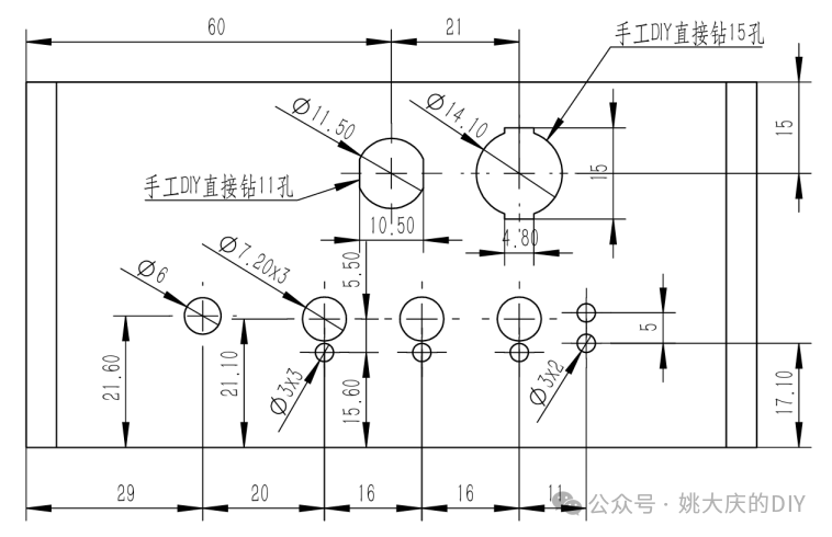
接着,绘制电源开关、Type-C充电插座以及提手固定孔的开孔草图。图3-6-12展示了底盒上所有开孔的最终位置与尺寸。图中Type-C插座孔和电源开关孔都严格按照实物形状绘制,以实现完美匹配,这主要是为了CNC精密加工准备。如果采用手工开孔,钻圆形孔即可满足基本功能。

此外,由于防水接线盒在塑料注塑脱模时存在拔模斜度,其底部并非完全的平面。因此需要在底盒底部安装4个直径5mm的防撞胶粒作为脚垫。这4个脚垫孔的位置可以在箱体组装完成后,根据实际放置情况再行确定并钻孔。

图3-6-12 底盒开孔平面图
5. 导出开孔参考图纸
所有设计确认无误后,在装配体中隐藏除盒盖和底盒以外的所有配件。从该装配体创建工程图,选择A4图幅,并将视图比例严格设置为1:1。为所有需要钻孔的圆形轮廓添加中心符号线,便于在实际加工时定位,如图3-6-13所示。

图3-6-13 创建1:1工程图并标注中心线
最后,将此工程图导出为PDF文件,或直接按1:1比例打印,即可作为手工钻孔的实体模板使用。若需采用CNC雕刻机进行开孔,则可直接输出DXF格式文件(部分销售防水接线盒的商家可提供付费的CNC开孔定制服务)。