随着电动车的普及和防盗需求的增长,内置GPS定位功能成为许多车辆的标准配置。这类定位器通常集成GPS模块和GSM通讯模块,以实现对车辆的实时定位、轨迹追踪与远程监控。
为了深入了解其内部构造,我购买了一款市售的百元级电瓶车GPS定位器进行拆解研究。卖家宣称其具备以下功能:
- 内置GPS、北斗双模定位,可精准定位车辆位置。
- 具备多种唤醒方式(光电、电平跳变、震动、电话/短信、RTC定时、上电)并上报服务器。
- 内置RTC实时时钟,初始化后可持续工作。
- 支持超速、疲劳、电瓶欠电、震动等十几种报警功能。
- GPS/OBD数据可配置间隔上传,支持轨迹回放。
- 内置3D加速度传感器,用于轨迹补偿。
- 内置大容量FLASH,支持掉线数据补传。
- 支持远程OTA及USB升级。
下面开始拆解实物。

外壳采用防水胶密封,经过“暴力”拆解后,内部电路板得以呈现。

主板正面可见GPS天线、433M遥控器解码模块以及电源管理部分。让我们将重点放在背面的核心射频单元上。

揭开背面的金属屏蔽罩后,其设计思路令人意外。厂家并未采用常见的成品GSM通讯模块,而是基于基带射频芯片和GPS芯片进行硬件安全级别的自主设计。这种方案通常需要深厚的网络/系统级技术积累,常见于手机设计,而在这款不足百元的设备上出现,确实体现了设计团队的技术实力。

上图清晰标注了板上的三颗核心芯片,接下来我们进行详细分析。
核心电路与芯片分析
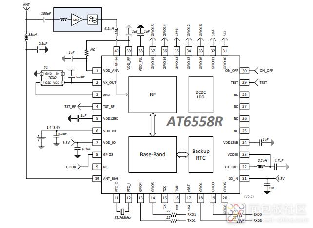
1. GPS导航芯片:AT6558R
该定位器采用中科微电子的AT6558R芯片。这是一款高性能BDS/GNSS多模卫星导航接收机SOC单芯片,片上集成了射频前端、数字基带处理器、32位RISC CPU和电源管理单元。它支持北斗(BDS)、GPS、GLONASS等多系统联合定位。

芯片内部功能框图

其射频前端支持BDS B1、GPS L1、GLONASS L1全星座卫星信号频点。数据通道共用LNA/RFA和PLL,支持多种参考频率,并集成了有源天线检测和时钟倍频电路,ADC采样频率可配置。

参考设计电路图

2. GSM基带芯片:展讯SC6531
负责通信功能的核心是展讯(Spreadtrum)的SC6531芯片。这是一款针对GSM/GPRS功能手机市场的基带芯片,采用40nm CMOS工艺,集成ARM9处理器(主频可达234MHz)。


该芯片在单颗SoC上高度集成了手机基带、射频收发器、电源管理单元(PMU)、pSRAM、音频功放等,极大降低了外围电路复杂度和设计成本。它通过集成多媒体加速器、图形处理器和FPU,也能提供一定的多媒体处理能力。
典型应用原理框图

3. 射频功率放大器(PA):RTM7292
RTM7292是一个集成的射频前端模块(FEM),专为GSM850/900、DCS1800和PCS1900四波段蜂窝手机设计。该模块包含了两个功率放大器块(GSM850/900 PA和DCS1800/PCS1900 PA)、阻抗匹配电路、TX谐波滤波器以及控制逻辑。

其RF输入输出端口内部已匹配至50Ω,减少了外部元件数量。通过TXEN、CTRL0、CTRL1等逻辑引脚控制工作模式与频段选择。它的应用包括支持四频GSM/GPRS的手机,满足相应的功率等级要求。
功能算法与电源管理
除了硬件,该定位器的软件算法也实现了多种实用功能:
- 运动感知算法:侦测车辆从静态到动态的状态变化并触发报警。
- 位移报警算法:侦测超过设定距离(如100米)的非法移动。
- 低电压报警:当内置电池电压过低时,自动短信提醒用户充电。
- SIM卡状态监控:可转发运营商发出的欠费提醒等短信给车主。

电源管理设计:
定位器通常直接连接电瓶车蓄电池取电,内部设计有宽电压输入(如10V-90V)的降压转换模块。为防止蓄电池被拆除后失效,设备会内置一块备用锂电池,该电池也能为GSM模块在发射信号时提供所需的瞬间大电流。
在电路设计上,由于GSM基带芯片(如SC6531)高度集成且自带电源管理,系统只需为其提供输入电源,而无需像传统设计那样先降压再通过多个LDO为各个小模块分别供电,简化了设计。
定位方式与总结
该设备支持两种主要的定位方式:
- GPS/北斗定位:精度高(5-50米),包含速度信息,但在室内或隧道中可能失效。
- 基站(LBS)定位:依赖移动网络信号塔,室内可用,但精度取决于基站密度,且通常无速度信息。
两者结合可实现“GPS定位+基站定位”的双重保障,力求全程无盲点。用户可通过手机APP或电脑端软件查看实时位置与历史轨迹。
通过对这款电瓶车GPS定位器的拆解可以发现,其设计思路并非简单堆砌模块,而是采用了高集成度的芯片级方案。这种基于AT6558R导航SOC和SC6531基带芯片的深度定制,在保证功能的同时,极大地控制了成本,展现了在消费级硬件领域进行高度集成设计的可行性。对于硬件爱好者和开发者而言,分析这类产品的设计是一次很好的开源实战学习过程。如果你对硬件拆解或物联网设备开发有更多兴趣,欢迎到云栈社区交流讨论。